Deze website maakt gebruik van cookies, als je doorgaat met het gebruik van deze website stem je hiermee in
Beschrijving
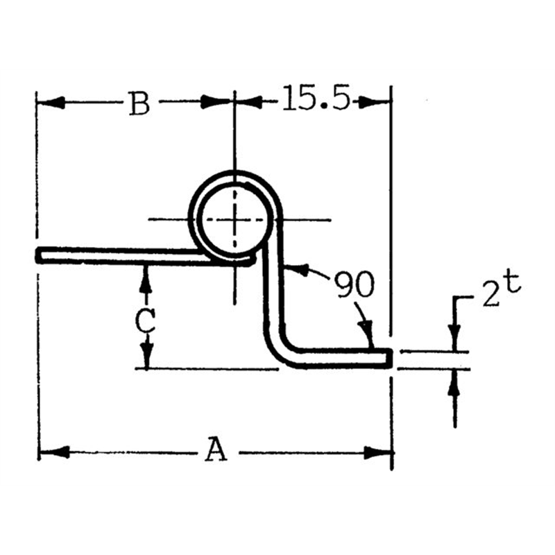
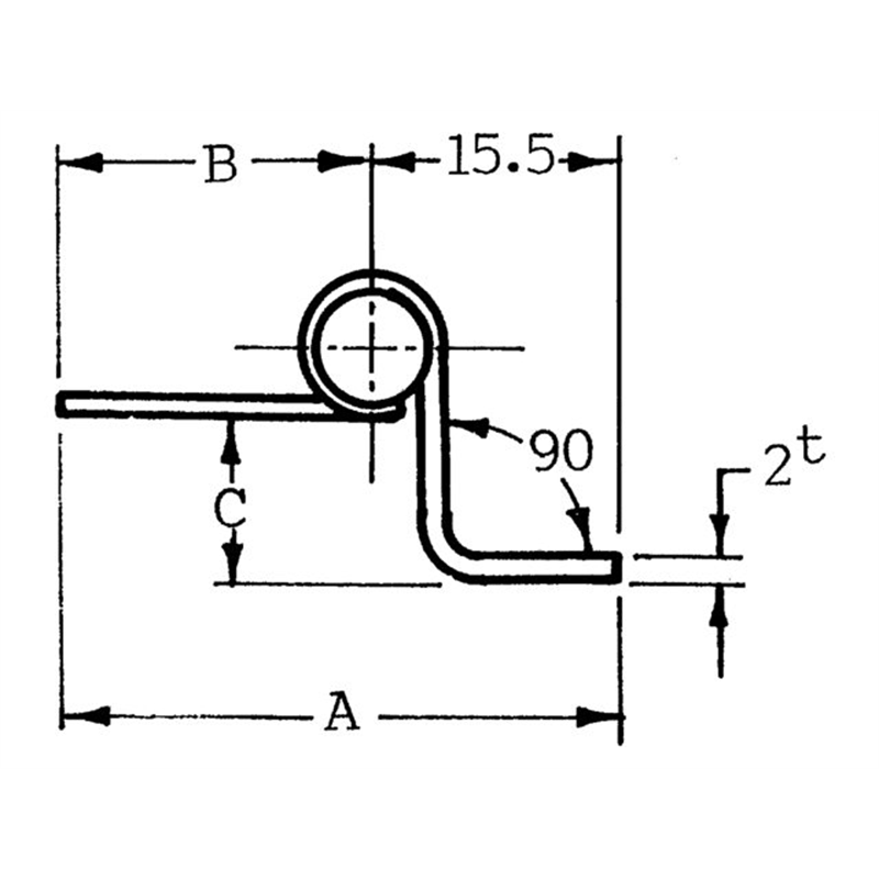
RVS 304 gepolijst. Dikte 2mm.